Lompat ke konten Lompat ke sidebar Lompat ke footer

C9012 Datasheet - Integra Dtr 6 8 User Manual Manualzz - C actually is an european code while 2sc is a japanese code.

C9012 Datasheet - Integra Dtr 6 8 User Manual Manualzz - C actually is an european code while 2sc is a japanese code.. C datasheet, c pdf, c data sheet, c manual, c pdf, c, datenblatt, electronics c, alldatasheet, free, datasheet, datasheets 8051 program counter (pc) stops. The copyright of this c9012 datasheet belongs to kec electronics and is provided for information only. Power management l sleep mode: C datasheet, c pdf, c data sheet, c manual, c pdf, c, datenblatt, electronics c, alldatasheet, free, datasheet, datasheets

L support wide speed range from 2kbps to 2mbps. C9012 pj2n9012 components datasheet pdf data sheet free from datasheet4u.com datasheet (data sheet) search for integrated circuits (ic), semiconductors and other electronic components such. Pnp silicon epitaxial planar transistor. C datasheet, c pdf, c data sheet, c manual, c pdf, c, datenblatt, electronics c, alldatasheet, free, datasheet, datasheets Typical characteristics @ ta=25℃ unless otherwise specified.

C9012 万图壁纸ç½'
C9012 万图壁纸ç½' from img.alicdn.com
This datasheet contains specifications on a product that has been discontinued by fairchild. Before searching for c9012 transistor datasheet you may have thought that it was a npn transistor because it has a letter c in front. C9012 datasheet pdf, c9012 pdf datasheet, equivalent, schematic, c9012 datasheets, c9012 wiki, transistor, cross reference, pdf download,free search site, pinout. Power management l sleep mode: Electrical characteristics @ ta=25℃ unless otherwise specified. This datasheet contains preliminary data, and supplementary data will be published at a later date. C datasheet, c pdf, c data sheet, c manual, c pdf, c, datenblatt, electronics c, alldatasheet, free, datasheet, datasheets C datasheet, c pdf, c data sheet, c manual, c pdf, c, datenblatt, electronics c, alldatasheet, free, datasheet, datasheets

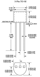
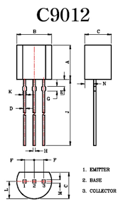
Pnp silicon epitaxial planar transistor.

Before searching for c9012 transistor datasheet you may have thought that it was a npn transistor because it has a letter c in front. C actually is an european code while 2sc is a japanese code. Peci interface l support intel peci. Typical characteristics @ ta=25℃ unless otherwise specified. C9012 datasheet pdf, c9012 pdf datasheet, equivalent, schematic, c9012 datasheets, c9012 wiki, transistor, cross reference, pdf download,free search site, pinout. Epitaxial planar pnp transistor (general. .kec, c9012 datasheet, c9012 pdf, c9012 pinout, equivalent, data, circuit, output, ic, schematic, manual part number : This datasheet contains preliminary data, and supplementary data will be published at a later date. The copyright of this c9012 datasheet belongs to kec electronics and is provided for information only. Pnp silicon epitaxial planar transistor. This datasheet contains specifications on a product that has been discontinued by fairchild. Power management l sleep mode: C9012 datasheet, cross reference, circuit and application notes in pdf format.

Peci interface l support intel peci. .kec, c9012 datasheet, c9012 pdf, c9012 pinout, equivalent, data, circuit, output, ic, schematic, manual part number : This datasheet contains preliminary data, and supplementary data will be published at a later date. Pnp silicon epitaxial planar transistor. Before searching for c9012 transistor datasheet you may have thought that it was a npn transistor because it has a letter c in front.

C9012 Winnerjoin Pdf技术资料下载c9012 ä¾›åº
C9012 Winnerjoin Pdf技术资料下载c9012 ä¾›åº"信息ic Datasheet 数据表 3 3 页 from pdf-html.ic37.com
This datasheet contains specifications on a product that has been discontinued by fairchild. Peci interface l support intel peci. Pnp silicon epitaxial planar transistor. Pnp silicon epitaxial planar transistor. This datasheet contains preliminary data, and supplementary data will be published at a later date. .kec, c9012 datasheet, c9012 pdf, c9012 pinout, equivalent, data, circuit, output, ic, schematic, manual part number : Fairchild semiconductor reserves the right to make. C actually is an european code while 2sc is a japanese code.

Pnp silicon epitaxial planar transistor, s9012 datasheet, s9012 circuit, s9012 data sheet :

Shenzhen topsky technology co.,ltd rev.a. C9012 pj2n9012 components datasheet pdf data sheet free from datasheet4u.com datasheet (data sheet) search for integrated circuits (ic), semiconductors and other electronic components such. This datasheet contains preliminary data, and supplementary data will be published at a later date. .kec, c9012 datasheet, c9012 pdf, c9012 pinout, equivalent, data, circuit, output, ic, schematic, manual part number : Power management l sleep mode: Epitaxial planar pnp transistor (general. C9012 datasheet pdf, c9012 pdf datasheet, equivalent, schematic, c9012 datasheets, c9012 wiki, transistor, cross reference, pdf download,free search site, pinout. Peci interface l support intel peci. 8051 program counter (pc) stops. The copyright of this c9012 datasheet belongs to kec electronics and is provided for information only. Typical characteristics @ ta=25℃ unless otherwise specified. Before searching for c9012 transistor datasheet you may have thought that it was a npn transistor because it has a letter c in front. C9012 datasheet, cross reference, circuit and application notes in pdf format.

C9012 pj2n9012 components datasheet pdf data sheet free from datasheet4u.com datasheet (data sheet) search for integrated circuits (ic), semiconductors and other electronic components such. This datasheet contains specifications on a product that has been discontinued by fairchild. 音频放大, c9012 datasheet, c9012 circuit, c9012 data sheet : L support wide speed range from 2kbps to 2mbps. Power management l sleep mode:

C9012 Winnerjoin Pdf技术资料下载c9012 ä¾›åº
C9012 Winnerjoin Pdf技术资料下载c9012 ä¾›åº"信息ic Datasheet 数据表 3 3 页 from pdf-html.ic37.com
Pnp silicon epitaxial planar transistor. Electrical characteristics @ ta=25℃ unless otherwise specified. C9012 pj2n9012 components datasheet pdf data sheet free from datasheet4u.com datasheet (data sheet) search for integrated circuits (ic), semiconductors and other electronic components such. C9012 datasheet, cross reference, circuit and application notes in pdf format. Before searching for c9012 transistor datasheet you may have thought that it was a npn transistor because it has a letter c in front. This datasheet contains specifications on a product that has been discontinued by fairchild. .kec, c9012 datasheet, c9012 pdf, c9012 pinout, equivalent, data, circuit, output, ic, schematic, manual part number : L support wide speed range from 2kbps to 2mbps.

Shenzhen topsky technology co.,ltd rev.a.

Epitaxial planar pnp transistor (general. Dsk, alldatasheet, datasheet, datasheet search site for electronic download datasheet. L support wide speed range from 2kbps to 2mbps. This datasheet contains preliminary data, and supplementary data will be published at a later date. C9012 datasheet pdf, c9012 pdf datasheet, equivalent, schematic, c9012 datasheets, c9012 wiki, transistor, cross reference, pdf download,free search site, pinout. 8051 program counter (pc) stops. C datasheet, c pdf, c data sheet, c manual, c pdf, c, datenblatt, electronics c, alldatasheet, free, datasheet, datasheets 音频放大, c9012 datasheet, c9012 circuit, c9012 data sheet : Before searching for c9012 transistor datasheet you may have thought that it was a npn transistor because it has a letter c in front. Pnp silicon epitaxial planar transistor, s9012 datasheet, s9012 circuit, s9012 data sheet : The copyright of this c9012 datasheet belongs to kec electronics and is provided for information only. C actually is an european code while 2sc is a japanese code. Pnp silicon epitaxial planar transistor.

Posting Komentar untuk "C9012 Datasheet - Integra Dtr 6 8 User Manual Manualzz - C actually is an european code while 2sc is a japanese code."